GALVANIZED PURLINS - Durable & Versatile Steel Framing
Galvanized purlins are essential components for supporting roof and wall systems in steel structure buildings. Through advanced galvanizing processes, these profiles offer superior anti-corrosion properties, making them ideal for high-humidity and corrosive environments. They provide a stable framework for industrial workshops, warehouses, and light municipal structures like canopies and bridges.
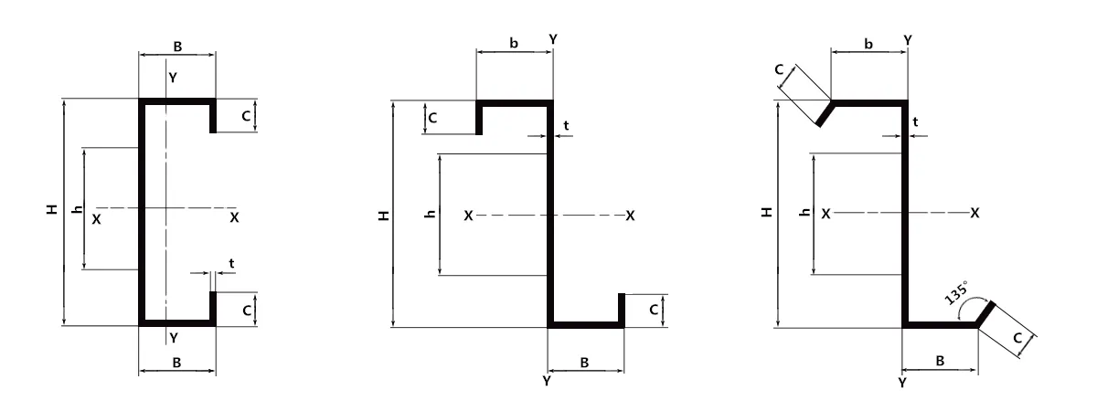
Our range includes versatile C purlins, interlocking Z purlins, sturdy U purlins, and robust rectangular hollow section (RHS) tubes. Their lightweight design ensures ease of handling and faster installation, significantly reducing project timelines and labor costs.



| Type | Section Size (mm) | ||||
|---|---|---|---|---|---|
| H | B1 | B2 | C | t | |
| C80 | 80 | 40 | 40 | 15 | 2.0-3.0 |
| C100 | 100 | 50 | 50 | 20 | 2.0-3.0 |
| C120 | 120 | 50 | 50 | 20 | 2.0-3.0 |
| C150 | 150 | 60 | 60 | 20 | 2.0-3.0 |
| C180 | 180 | 60 | 60 | 20 | 2.0-3.0 |
| C200 | 200 | 60 | 60 | 20 | 2.0-3.0 |
| C250 | 250 | 70 | 70 | 20 | 2.0-3.0 |
C-shaped steel purlins are suitable for standard load-bearing requirements, while Z-shaped steel purlins are optimized for roof structures with larger slopes. Both types offer lightweight handling and long-lasting stability.




